Схемы устройства парового отопления + пример расчета паровой системы
Собственники частных домов непременно сталкиваются с вопросом обогрева своего жилища. Каждый старается выбрать вариант, позволяющий качественно нагревать помещение, расходуя при этом минимальное количество топлива.
Многих владельцев загородной недвижимости и дачных домов привлекает схема парового отопления, при которой пар способен в считанные минуты обогреть помещение. Прежде чем решиться на обустройство такой системы, необходимо изучить особенности ее работы, сопоставить все за и против.
Мы поможем разобраться в этих вопросах. А также опишем разные схемы парового отопления, приведем методику расчета и правила устройства системы.
Оглавление:
Паровое отопление: схемы и особенности устройства
Без отопительной системы жизнь в загородном доме в осенние, весенние и, тем более, зимние месяцы невозможна. Часто для дач и коттеджей, периодически посещаемых владельцами, подбирают вариант парового отопления.
Оно способно обеспечить очень быстрое нагревание всего дома, что приятно порадует хозяина и его гостей, решивших провести выходные на даче.
Галерея изображенийФото из Работа паровго отопления заключается в передаче тепла, генерируемого при переходе пара в жидкое агрегатное состояние Так как объем конденсата в 400 — 1500 раз меньше объема пара, сечение паровпроводов должно быть во столько же раз больше сечения конденсатосборников Для подготовки теплоносителя используются все виды котлов, способных разогревать среду до температуры +130º Для усиления теплопередающего эффекта в схемах парового отопления принято использовать приборы с увеличенной площадью теплоотдачи или с замедленным процессом остывания, к примеру, чугунные По типу перемещения конденсата в котел паровые схемы делятся на замкнутые и разомкнутые, бывают открытыми и закрытыми, двух- и однотрубными Схема парового отопления, предполагающая аккумуляцию конденсата в конденсатном баке с последующей перекачкой его в котел, называется разомкнутой. Если конденсат самотеком идет сразу в бак, то система называется замкнутой Для нормальной работы приборов необходимо, чтобы в него поступало такое количество пара, которое сможет свободно отводиться в сконденсированном состоянии. Прибор должен быть полностью заполнен паром во избежании образования воздушных пробок Если в прибор отопления будет поступать пара меньше того объема, который мог бы нормально конденсироваться при заданной тепловой нагрузке, нижняя часть радиатора будет заполнена не вытесненным из него воздухом, как наиболее тяжелой в сравнении с паром средой Специфика работы парового отопленияПаропроводы и конденсатопроводыКотлы для подготовки теплоносителяУвеличение площади теплоотдачиВариант устройства парового отопленияРазомкнутая система парового отопленияПравила подбора приборовУменьшение объема пара
Принципиальные особенности обогрева паром
Отопление паром удобно устраивать в домах, редко посещаемых владельцами. Все благодаря особенностям теплоносителя, циркулирующего по трубам. Речь идет о паре, появляющемся только при работе отопительного котла.
Ведь, когда никого нет на даче, а на улице мороз -15°С и более, то можно не волноваться, что трубы разорвет, как в случае в с водяным теплоносителем.

Жилые дома теряют определенное количество тепла. Причем, для его восполнения потребуется разное количество энергии. Этот показатель зависит от региона проживания (+)
Паровое отопление имеет свои преимущества:
Что касается количества тепла, выделяемого в процессе конденсации пара, то оно во много раз превышает тепло, отдаваемое нагретой водой, циркулирующей в отопительной системе.
1 кг пара температурой 130°С при конденсации освобождает энергию, равную 2300 кДж/кг. Что же касается объема, то конденсат занимает в 400-1500 раз меньше места, чем такая же масса пара.

Для парового отопления можно использовать медные трубы, если семейный бюджет сможет потянуть их высокую стоимость
Эта особенность позволяет использовать трубы меньшего диаметра. В маленьких комнатах можно обойтись без батарей – тепла, излучаемого трубой будет достаточно для их нагревания.
Еще одна особенность – быстрый нагрев помещения. Удобно, когда выбравшись на несколько часов за город, не придется долго заниматься вопросом отопления. Сэкономленное время можно использовать для более приятных хлопот, например, пожарить шашлычок и подольше пообщаться с друзьями.

В силу специфики теплоносителя можно воспользоваться трубами особой конструкции – оребренными или ребристыми
Уезжая с дачи в холодное время года, не нужно тратить время на консервацию отопительной системы, слив воды и другие мероприятия, призванные уберечь систему от выхода из строя.
При отсутствии топлива в паровом котле пар не поступает в паропровод. Соответственно, отсутствует вода в конденсатопроводе. Поэтому, проблем с замерзанием системы не возникнет.

Ребристые трубы могут быть выполнены в виде регистра, который применяется вместо радиаторов
Недостатки паровой системы отопления
Отопление паром, помимо своих преимуществ, имеет и недостатки.
Во-первых, высокая степень опасности. Это обусловлено спецификой теплоносителя.
Когда пар под давлением идет по трубе, то:
Во-вторых, запекание пыли, попадающей на поверхность паропровода. Под воздействием высокой температуры частички пыли разлагаются. Продукты их распада негативно сказываются на жителях дома, особенно, если среди них имеются аллергики.

Для паропровода удобно применять медные трубы. Но работать с ними сложно – потребуются навыки пайки или специалист в этой сфере
В-третьих, пересушенный воздух, которым вынуждены дышать все обитатели жилища. Чтобы улучшить микроклимат в помещении, предстоит подобрать увлажнитель. Это дополнительная статья расхода, которую следует предусмотреть еще на этапе проектирования отопительной системы.
В-четвертых, температуру теплоносителя просто невозможно регулировать и убавлять по желанию. Этот недостаток создает много сложностей при использовании системы парового отопления в домах с постоянным проживанием.
Выход из сложившейся ситуации – прокладка нескольких ветвей паропровода с последующим включением их в работу по мере необходимости.

Прикасаться к трубам парового отопления опасно – можно легко получить ожог
В-пятых, необходимо использовать специальную паровую арматуру, предназначенную для работы с паром. Это же касается и материала труб и радиаторов отопления.
Нужно учитывать, что срок службы конденсатопровода будет значительно меньше, если сравнивать с водяным отоплением, где установлены трубы обратки из такого же материала. Особенно это касается сухих конденсатных трубопроводов.
В-шестых, следует позаботиться о соответствующей отделке стен. Ведь бумажные обои не обладают нужным уровнем жароустойчивости. Здесь подойдет цементная штукатурка, окрашенная соответствующей краской.

Одним из жароустойчивых материалов является асбестовый лист. Им можно оббить стены, чтобы защитить горючий материал от воздействия высокой температуры паропровода
Еще один интересный вариант – отделка в стиле лофт. Для этого внутреннюю поверхность стены, по которой будет проходить паропровод, можно выложить из жаропрочного кирпича. Это не только создаст неповторимую атмосферу, но и обезопасит жителей при воздействии горячей трубы на материал стен.

Стиль лофт предусматривает использование промышленных атрибутов совместно с роскошными предметами мебели
В-седьмых, потребность в оборудовании помещения под котельную. Недопустимо располагать паровой котел в жилой комнате. Это очень опасно. Месторасположения котла должно быть оборудовано жаропрочными материалами и хорошо проветриваться.

Среди жароустойчивых материалов производители предлагают большое разнообразие кирпича. Можно подобрать требуемый цвет и оттенок, идеально вписывающийся в интерьер
Схемы парового отопления
Вариант отопления, использующий пар в качестве теплоносителя, имеет самые разные схемы.
Классифицировать их можно по следующим параметрам:
Давление в функционирующей системе парового отопления (ПО) может быть высоким и более низким.
В зависимости от его абсолютного значения, выделяют системы:
Первый вариант рекомендуется для бытового использования. Специальные котлы, предназначенные для парового отопления, позволяют реализовать систему низкого давления в частном доме или на даче. Они могут работать на различных видах топлива – угле, дровах, газе, мазуте.

Для паровой котельной важно оборудовать отдельное помещение, чтобы обезопасить всех членов семьи от возможных опасностей
Второй вариант опасен для применения в домашних условиях. Для работы с системами высокого давления требуются соответствующие знания и специализация. Если неподготовленный умелец решится собрать паровое отопление высокого давления у себя на даче, то он рискует остаться, в лучшем случае, без дачи.
Котел, работающий с высоким давлением, отличается большими размерами и очень высокой стоимостью. Это вариант используют в промышленности. Но многие домашние умельцы экспериментальным путем пытаются реализовать подобную установку своими руками. Такой вариант крайне опасно использовать в системе отопления.

Для домов и коттеджей используются бытовые котлы, вырабатывающие пар. Это агрегаты низкого давления (+)
Вакуумно-паровая система отличается от первых двух наличием воздухосборника и дополнительного устройства, обеспечивающего вакуумирование всего внутреннего пространства.
В зависимости от способа соединения с атмосферой выделяют открытые и закрытые схемы парового отопления. В первом случае система имеет связь с атмосферой – она разомкнута. Во втором – полностью изолирована от воздействия атмосферного давления и поступления воздуха из окружающей среды.

Однотрубная схема для парового отопления ничем не отличается от водяной системы, кроме диаметра трубопроводов для пара и конденсата
По способу трассировки трубопроводов схемы ПО бывают:
Первые используют, как правило, в одно- и двухэтажных домах и сооружениях с высотой потолков до 2,7 м и площадью до 80 м2, где не надо регулировать температуру. Вторые более подходят для реализации системы парового отопления в зданиях с 3-мя и более этажами.

Двухтрубная схема эффективна в домах с большим количеством этажей и большой отапливаемой площадью
Причем, системы ПО могут монтироваться:
Способ возврата конденсата позволяет выделить замкнутую и разомкнутую схему. В первом случае, вода, образуемая в процессе конденсации, самотеком направляется в котел. В этом случае обязательно следует выдерживать рекомендуемый уклон паро- и конденсатопроводов – от 1,0 до 0,5 см уклона на 1 погонный метр.
Причем, уклон правильно делать в сторону движения пара для паропровода и в сторону движения конденсата для трубы обратки. Сам котел при такой схеме должен обязательно располагаться ниже уровня обратного трубопровода.

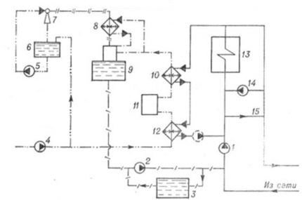
Схема устройства паровой котельной при открытых сетях подразумевает использование подпитки водой с применением насосов. Пояснения: 1 — сетевой насос, 2 — подпиточный насос, 3 — бак с водой, 4 — регулятор подпора, 5 — насос исходной воды, 6 — охладитель, 7 — подогреватель воды, 8 — фильтр, 9 — конденсатный бак, 10- конденсатный насос, 11 — подогреватель очищенной воды, 12 — деаэратор, 13 — сепаратор пара, 14 — питательный насос, 15 — паровой котел, 16 — редукционно-охладительная установка, 17 — подогреватель сетевой воды, 18 — охладитель конденсата подогревателей сетевой воды (+)
В схеме разомкнутой системы парового отопления присутствует специальная емкость для сбора конденсата – бак. Из него с помощью насоса жидкость может направляться в котел или удаляться из системы отопления. Во втором случае должна быть реализована постоянная подпитка котла свежей водой для беспрерывного образования пара.
Предпочтительнее для загородного дома выбрать схему замкнутого парового отопления с верхней разводкой и мокрым конденсатопроводом, т.е. на весь объем канала заполненным водой. Для разомкнутых схем используют вариант сухого трубопровода для движения конденсата, заполненного конденсатом частично.

Диаметры трубопровода для сбора и движения конденсата можно подобрать, используя справочную информацию для проектировщиков (+)
Как правильно рассчитать паровую систему
Остановив свой выбор на паровой системе, предстоит составить проект ее расположения в здании и выполнить предварительные вычисления.
Есть два варианта:
Второй способ решения этого вопроса наиболее предпочтительный. Ведь только специалист, имея за плечами не один, удачно реализованный, проект по обустройству отопительной системы, способен учесть все пожелания владельца, не забыв о нормативных требованиях.
Если нет возможности и желания обращаться к проектировщику, можно приступить к самостоятельному расчету системы отопления паром. Можно использовать нормативы и полезные рекомендации из специальной литературы, например, из справочника проектировщика.
Для расчета предстоит взять план своего дома и посчитать площадь, которую требуется отопить. Затем обозначить места расположения радиаторов отопления.

При паровом отоплении часто используют вместо батареи регистры, выполненные из оцинкованных или оребренных труб. Они могут иметь дизайнерское оформление
Радиаторы подбирают в зависимости от требуемой мощности. Причем, важно учитывать технические характеристики понравившегося прибора – он должен выдерживать нагрузку при работе с паром.

Чугунные радиаторы лучше не использовать в устройстве парового отопления редко посещаемой дачи. Постояв холодными длительное время, они могут не справиться с резким нагревом и лопнуть
Сравнительный обзор разных радиаторов отопления и рекомендации по их выбору приведены в этой статье.
Рассчитывать длину паро- и трубопровода для конденсата лучше всего, находясь в самом помещении. Так удобнее планировать высоту их прокладки и места установки радиаторов, если они понадобятся.

Для парового отопления можно использовать металлические трубы из оцинкованной стали или меди
Подсчитав нужное количество погонных метров трубы, не стоит забывать о паровой арматуре – вентилях, тройниках, при необходимости – конденсатоотводчиках, насосе.
Для определения мощности парового котла потребуется вычислить объем всех отапливаемых помещений и умножить эту цифру на показатель требуемого количества энергии для обогрева 1 м3. Этот показатель зависит от региона проживания. Так, для европейской части показатель составляет 40 Вт.
Можно подсчитать мощность котла для 3-х комнатного дома с высотой потолков 2,6 м.
Сначала надо вычислить площадь отдельных помещений:
Затем предстоит вычислить объем всего дома: 14,75*2,6+7,35*2,6+10,8*2,6= 38,09+19,11+28,08= 57,02 м3.
Теперь полученный объем надо умножить на потребности в тепле: 57,02*40 Вт=2288 Вт. К полученному значению надо добавить запас мощности не менее 20%: 2288*1,2=2745,6 Вт или около 3 кВт.
Второй вариант определения мощности – по площади. Условно принимается, что для отопления каждых 10 м2 требуется 1 кВт мощности котла + 30% запаса, если высота потолков не превышает допустимый уровень до 2,7 м.
Причем, нужно покупать агрегат на 20-30% превышающий вычисленный размер мощности. На практике специалисты советуют брать котел не менее, чем на 30% мощнее, чтобы он не работал на предел своих сил.

Использовать для парового отопления можно только сертифицированный агрегат. Брать самопальный котел весьма опасно – можно серьезно пострадать при его взрыве
Выбирать паровой котел следует от проверенного производителя. Агрегат должен иметь сертификат качества и гарантию завода, его выпустившего. Паровой котел обязательно оснащают предохранительным клапаном. Также, потребуются приборы контроля температуры и давления и редуктор для нормализации давления, если это потребуется.
Ошибки при устройстве отопления паром
Занимаясь устройством индивидуального отопления, предстоит тщательно ознакомиться с существующими вариантами.
Выбирать для своего домовладения стоит самый подходящий вариант, чтобы в дальнейшем получить:
Остановившись среди всех вариантов отопления на паровом, важно постараться избежать ошибок, допускаемых при его устройстве.
Во-первых, чаще всего владельцы дома считают, что теплоносителем в системе служит вода. Это не так. При отоплении паром по трубам и батареям будет циркулировать именно пар.
Исходя из этого, следует правильно выбирать материал арматуры, с которой будет контактировать пар и вода, получаемая при конденсации.

Чтобы избежать ожогов при эксплуатации парового отопления, лучше предусмотреть защиту на радиаторы
Во-вторых, еще на этапе проектирования отопительной системы забывают предусмотреть защиту на батареи и трубы. Пар, движущийся по паропроводу, имеет температуру от 100°С. Он нагревает все элементы конструкции достаточно сильно, что представляет опасность для жителей дома/коттеджа.
В-третьих, при монтаже паропровода и конденсатопровода начинающие мастера забывают предусмотреть уклон в сторону движения пара и воды соответственно.
В-четвертых, некоторые домашние умельцы неправильно подбирают мощность котла. В результате, вместо желаемой температуры в помещении получают +13-15°С. Для ежедневного комфортного проживания такого температурного режима явно недостаточно.
В-пятых, неопытные сварщики могут допустить огрехи при сваривании паропровода. В результате, в любое время трубу может прорвать и поток пара, движущийся под давлением по ней, устремится прямо на человека, находящегося рядом. Это крайне опасная ситуация, о возможности возникновения которой не надо забывать.

Разрабатывая планировку системы отопления, надо не забывать о правильной обводке дверных проемов (+)
Все эти ошибки вероятны при самостоятельном обустройстве системы отопления. Желая сэкономить и выбрав вариант с паром, владельцы решают справиться своими силами, решив не обращаться к профессиональному проектировщику, сварщику и другим специалистам.
Отсутствие личного практического опыта и легкомысленное отношение к процессу может помешать правильному устройству парового отопления. Некоторые из ошибок, допущенных при монтаже, способны не только нарушить привычный уклад жизни, но и серьезно навредить здоровью проживающих в доме.
Выводы и полезное видео по теме
Видео материал об устройстве парового котла:
Ролик о том, как следует сваривать трубы:
Наглядное видео об особенностях монтажа и пайки медных труб:
Видео об отоплении паром:
Подробное видео о работе парового котла:
Ознакомившись с положительными и отрицательными сторонами парового отопления, можно определиться, подходит ли этот вариант для удовлетворения потребностей конкретного домовладения.
Если решено использовать отопление паром, то предстоит подобрать самую оптимальную схему для своего дома. Для расчета отопительной системы лучше обращаться к специалистам, чтобы обезопасить себя и домочадцев.
Если у вас есть опыт обогрева дома с помощью паровой отопительной системы, пожалуйста, поделитесь информацией с нашими читателями. Оставляйте комментарии к статье и задавайте вопросы в форме ниже.